什么是降压启动
降压启动是指在启动电动机或其他设备时,通过降低供电电压来减小起动时的电流和机械应力,以保护设备和电力系统的操作。降压启动通常通过使用降压启动器或软启动器来实现。
具体而言,降压启动器或软启动器通过降低电动机的起动时电压,从而降低了启动时的电流。在电动机启动的初期阶段,电动机的转矩需求较低,此时降低电压可以降低电动机的起动电流,减少了对电网和电动机本身的冲击,有助于延长设备寿命,减少设备损坏的风险。

在电压启动的时候,电流是比较大的,会使系统电压明显降低,如果系统同时对电压有比较敏感的设备,就会受到影响,严重时会导致无法工作,而采用降压启动可以减小电机的启动电流,从而减少对其他设备的不利影响,常用的星三角降压启动、自耦变压器降压启动。
什么是星三角降压启动
星三角降压启动是一种用于电动机启动的常见方法,适用于大功率、大电流的三相异步电动机,通过在电动机的起动阶段使用星型(Y型)连接方式,降低了启动时的电流冲击,从而减小了对电网和电动机本身的影响。这种启动方法通常应用于中小功率的交流感应电动机。

采用星三角启动时,启动电流只是原来按三角形接法直接起动时的1/3。如果直接起动时的起动电流以6~7Ie计,则在星三角起动时,起动电流才2~2.3倍。同时启动电压也只是为原来三角形接法直接启动时的根号三分之一。起动电流降低了,起动转矩也降为原来按三角形接法直接起动时的1/3。
星三角降压启动注意事项
电机绕组的额定电压为380V的(也就是额定电压380V接法为三角形接法)才能星形--三角形;
最好在主回路中用空开,因为星形与三角形运行时可能方向不一致。
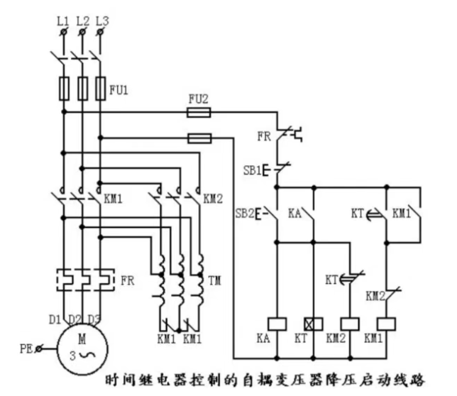
什么是自耦变压器降压启动
自耦变压器降压启动是指电动机启动时利用自耦变压器来降低加在电动机定子绕组上的启动电压。待电动机启动后,再使电动机与自耦变压器脱离,从而在全压下正常运动。这种降压启动分为手动控制和自动控制两种。

如何判断一台电动机是否采用降压启动?根据《GB50055-2011通用用电设备配电设计规范》:
电机启动对电压的要求
如果配电母线上接有照明负荷或者对其他有对电压波动较敏感的负荷,电机频繁启动的电压不宜低于额定值的90%;如果电机不频繁启动,电压不宜低于额定值的85%。
如果配电母线上没有照明负荷或者对其他有对电压波动较敏感的负荷,电压不应低于额定值的80%。
如果配电母线上没有其他负荷(变压器专用),电压只需保证启动转矩不释放,和接触器可以吸合。
判断笼形电机降压启动的条件
电机启动时,配电母线的电压不低于额定电压的85%,电压的额定功率不超过电源变压器额定容量的30%,也就是电压功率:变压器容量<30%,就可以全压启动。
举例说明:
1、假如有一台电机功率是55千瓦,电源变压器的容量是200KVA,200KVA*30%=60KVA,55<60,所以可以采用全压启动,不需要降压启动。
2、假如有一台电机功率是17千瓦,变压器的容量是50KVA,50KVA*30%=15KVA,所以电动机功率超过变压器容量的30%,就需要采用降压启动。
以上说明,判断要不要采取降压启动,不能光看电机的功率大小,而应该参考电动机功率和变压器容量的相对大小,超过30%就需要采用降压启动。
电力系统中为什么会产生电压降呢?
01电阻损耗在输电线路、变压器、开关设备等电力系统元件中都存在一定的电阻。当电流通过这些元件时,会产生电阻损耗,导致电压降低。根据欧姆定律U=RI可知,电压的产生就是当电流流过一个导体时产生的,而现实生活中的任何导体,都是存在电阻的,电力线路的电缆线也存在内阻,所以传送电力的电缆线会存在电压降!
02电感损耗电力系统中的电感元件,如电感、变压器、电动机等,当电流变化时会产生电感损耗。这种损耗导致系统中的电压降低,特别是在交流系统中,当电流变化较大时,电感损耗会更加显著。
03电容损耗虽然电容损耗在电力系统中通常较小,但在一些高频电路或高压电缆中,电容损耗也可能会引起一定程度的电压降低。
04长距离输电线路在长距离输电线路中,电压降也是一个常见的问题。由于电阻和电感的存在,电流通过长距离输电线路时会造成较大的电压降。
05系统负载变化突然的负载变化会导致系统电压降低,因为系统需要调整电流来满足负载需求,从而增加了电阻损耗。
06电网故障例如短路、过载或设备故障等情况,会导致电力系统中的电压突然下降。