欢迎来到程控教育, 注册会员即可观看在线课程和资料下载
咨询热线:18321217071
触摸屏
机器人
电工基础
PLC培训
变频器培训
登 录
注 册
首页
在线课程
现场培训
资料下载
技术文章
联系我们
首页
在线课程
现场培训
下载资料
资讯动态
联系我们
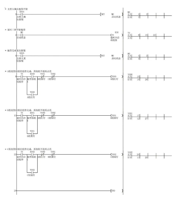
PLC应用基础与实训 之 定时器的基本用法
发布时间:2025-11-26
来源:
点击:68
一、三菱PLC之定时器的基础应用
二、抢答器使用
PLC编程
实现
上一篇:99%的人都收藏了!这份PLC排障流程图太神了!
下一篇:用三菱FX5U PLC复刻12个经典小程序
99%的人都收藏了!这份PLC排障流程图太神了!
用三菱FX5U PLC复刻12个经典小程序
三菱plc有哪些编程指令?详细介绍
免责声明:本站所提供信息均来源于网友提供或网络搜集,由本站编辑整理,如涉及版权问题,请联系本站管理员予以更改或删除
热点内容
西门子 smart PLC 输入/输出接线图,手把手教你接线
2022-03-22
西门子plc s7-200通讯设置(西门子plc200与电脑通讯怎么设置)
2022-02-11
q系列三菱plc和FX PLC系列的区别(关于三菱Q系列PLC指令)
2022-01-06
西门子博途软件:TIA Portal V16的新功能
2021-12-27
学习西门子PLC编程的辅助利器:S7-200仿真软件
2022-04-01
文章推荐
西门子S7-1200 PLC下载但不重新初始化
2024-10-18
西门子S7-1200 数组数据类型(ARRAY)
2024-10-19
西门子S7-1200 数据块的使用
2024-10-22
西门子S7-1200 运动控制
2024-10-23
西门子S7-1200 V4.1 版本及以上轴资源
2024-10-24
热门标签
变频器
电工基础
旗下服务
在线课程
现场培训
关于我们
常见问题
联系我们
用户协议
隐私政策
客服
18321217071 ( 24小时 )
在线客服 ( 8:00 - 22:00 )
微信公众号
© 2019-现在 版权所有,并保留所有权利。
ICP备案证书号:沪ICP备18011190号-4
沪公网安备 31011202007493号
首页
课程
直播
文章
我的