起保停电路
起保停电路在梯形图中应用广泛,其最大的特点是利用自身的自锁(又称自保持)可以获得“记忆”功能。电路模式如图1所示。当按下起动按钮,常开触点 X0 接通,在未按停止按钮的情况下(即常闭触点X1为ON),线圈 Y0 得电,其常开触点闭合;松开起动按钮,常开触点 X0 断开,这时“能流”经常开触点 Y0 和常闭触点 X1 流至线圈 Y0,Y0 仍得电,这就是“自锁”和“自保持”功能。当按下停止按钮,其常闭触点 X1 断开,线圈 Y0 失电,其常开触点断开;松开停止按钮,线圈 Y0 仍保持断电状态。

1)起保停电路“自保持”功能实现条件:将输出线圈的常开触点并联于起动条件两端。
2)实际应用中,起动信号和停止信号可能由多个触点串联组成,形式如下图,请读者活学活用。

3)起保停电路是在三相异步电动机单相连续控制电路的基础上演绎过来的,如果参照
单相连续控制电路来理解起保停电路,那是极其方便的。演绎过程(翻译法)如下:

置位复位电路
与起保停电路一样,置位复位电路也具有“记忆”功能。置位复位电路由置位、复位指令实现,电路模式如图2 所示。
置位是将某一位写入1,表示有输出;复位是写为0,表示无输出。它们常常相互依存。 置位与复位,这两者在程序中使用时常常是相伴而行的。在大多数情况下,一旦我们在程序的某个地方进行了置位操作,就必然需要在另一处进行复位。它们之间的关系就像是一场默契的等待游戏,你等我复位,我等你置位,彼此相互依存。接下来,我们将详细介绍如何使用这些操作。

按下起动按钮,常开触点X0闭合,置位指令被执行,线圈Y0得电,当X0断开后,线圈Y0继续保持得电状态;按下停止按钮,常开触点X1闭合,复位指令被执行,线圈Y0失电,当X1断开后,线圈Y0继续保持失电状态。
互锁电路
有些情况下,两个或多个继电器不能同时输出,为了避免它们同时输出,往往要相互将自身的常闭触点串在对方的电路中,这样的电路就是互锁电路。电路模式如图3 所示。按下正向起动按钮,常开触点X0闭合,线圈Y0得电并自锁,其常闭触点Y0断开,这时即使X1接通,线圈Y1也不会动作。按下反向起动按钮,常开触点X1闭合,线圈 Y1得电并自锁,其常闭触点Y1断开,这时即使X0接通,线圈Y0也不会动作。按下停止按钮,常闭触点X2断开,线圈Y0、Y1均失电。

1)互锁实现:相互将自身的常闭触点串联在对方的电路中。
2)互锁目的:防止两路线圈同时输出。
3)和起保停电路的理解方法一样,可以通过正反转电路来理解互锁电路,具体如下:

延时断开电路
当输入信号有效时,立即有输出信号;而当输入信号无效时,输出信号要延时一段时间后再停止。
(2)解决方案
解法一如图4 所示。

解法二如图5 所示。

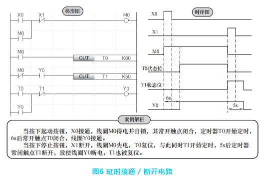
延时接通/断开电路
(1)控制要求
当输入信号有效,延时一段时间后输出信号才接通;当输入信号无效,延时一段时间后输出信号才断开。
(2)解决方案(见图6)

■ 长延时电路
在FX5U PLC中,定时器最长延时时间为3276.7s,如果需要更长的延时时间,则可考虑联合使用多个定时器、计数器。
应用定时器的长延时电路
该解决方案的基本思路是利用多个定时器的串联,来实现长延时控制。定时器串联使用时,其总的定时时间等于各定时器定时时间之和,即T=T0+T1,具体如图7 所示。

应用计数器的长延时电路
只要提供一个时钟脉冲信号作为计数器的计数输入信号,计数器即可实现定时功能。其定时时间等于时钟脉冲信号周期乘以计数器的设定值,即T=T1·Kc,其中T1为时钟脉冲周期,Kc为计数器设定值,时钟脉冲可以由PLC内部特殊辅助继电器产生,如SM8013(秒脉冲)、SM8014(分脉冲),也可以由脉冲发生电路产生。
1)含有一个计数器的长延时电路如图8 所示。

2)含有多个计数器的长延时电路如图9 所示。

应用定时器和计数器组合的长延时电路
该解决方案的基本思路是将定时器和计数器连接,来实现长延时,其本质是形成一个等效倍乘定时器,如图10 所示。

■ 脉冲发生电路
脉冲发生电路是应用广泛的一种控制电路,它的构成形式很多,具体如下:
由SM8013和SM8014构成的脉冲发生电路
由SM8013和SM8014构成的脉冲发生电路最为简单,SM8013和SM8014是最为常用的特殊辅助继电器,SM8013为秒脉冲,在一个周期内接通0.5s断开0.5s;SM8014为分脉冲,在一个周期内接通30s断开30s。具体如图11 所示。

单个定时器构成的脉冲发生电路
周期可调脉冲发生电路,如图12 所示。

多个定时器构成的脉冲发生电路
多个定时器构成的脉冲发生电路如图13 所示。

顺序脉冲发生电路
三个定时器顺序脉冲发生电路如图14 所示。
